Our Experties

YOU CAN LEARN IT

The High Standard Trusted & Professional Services

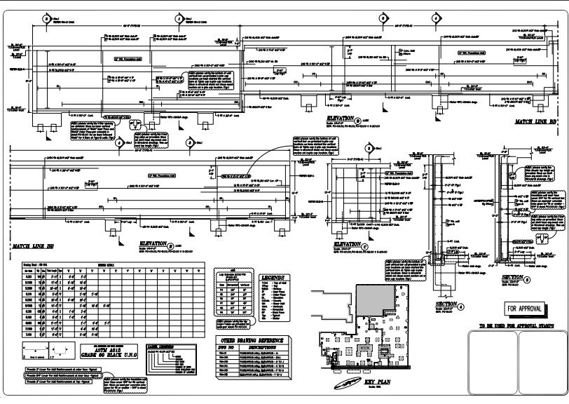
Rebar Detailing

We have worked on industrial, residential, commercial, mixed-use structure, singleresidential units, high-rise apartments, mansions and villas, hospital, hotels, eductional institutions, monuments, bridges, tanks, retaining walls, reservories etc. Whether it is a pile cap, wall, floor, column, and beam drawings, Krystal can produce the same as per client requirements. We can also use our client drawings templates for better presentation.

bg-image

Rebar estimation

Krystal services provide detailed and most accurate rebar estimation in the industry. We have ability to provide competitive pricing per ton. All reinforced steel is estimated according to the standard guidelines as outlined by CRSI.

All estimates will conform to the EC2, BS & CRSI code of standard practice. For estimating reinforcing materials, when not in conflict with the contract documents, local or state building codes.

Estimates done by krystal services remain confidential. It will only be availabe to the contractor or fabrication who supplies the document for estimating.

Rebar Listing

We have experties in preparation of bar bending schedule based on the RC (Reinforced Concrete) drawings. We can also work on custom macros and create specific macros as per client's output requirements. This service benefits the client's output requirements.Not only in working out the accurate quantities of reinforcement but also facilitates an easy understanding of the bar bending schedule.

TESTIMONIALS

"Krystal Rebar is one of the best general contractors we've worked with. The entire team tactfully delivered a project of exceptional quality while staying on schedule and under budget. We hope to work with Greiner again in the near future!"
"Part of the challenge of going into a new business is committing to build a relationship with a General Contractor. It's a leap of faith to trust them with building your vision on budget, on schedule, and with attention to quality."
“When you have a project, you need a construction company that is committed to doing construction in healthcare, whether it be medical or dental, someone who knows and understands medical technology, the flow of patients and space, and how to work around those dynamics - Krystal Rebar fits us."
single_11